Skema Heat Pump: Panduan Lengkap Cara Kerjanya
Skema Heat Pump: Panduan Lengkap Cara Kerjanya
Guys, pernah kepikiran nggak sih gimana caranya sebuah alat bisa ngasih hawa dingin di musim panas dan hawa hangat di musim dingin? Nah, jawabannya ada pada skema heat pump , teknologi keren yang lagi naik daun banget. Hari ini, kita bakal bongkar tuntas gimana sih si heat pump ini bekerja, mulai dari prinsip dasarnya sampai berbagai jenisnya. Siapin kopi kalian, karena kita bakal menyelami dunia thermodynamics yang seru abis!
Table of Contents
- Memahami Prinsip Dasar Skema Heat Pump
- Komponen Vital dalam Skema Heat Pump
- Cara Kerja Perpindahan Panas yang Efisien
- Jenis-Jenis Heat Pump Berdasarkan Sumber Panasnya
- Heat Pump Udara-ke-Udara (Air-to-Air Heat Pump)
- Heat Pump Udara-ke-Air (Air-to-Water Heat Pump)
- Heat Pump Geotermal (Ground Source Heat Pump)
- Heat Pump Sumber Air (Water Source Heat Pump)
- Keuntungan dan Kerugian Menggunakan Heat Pump
- Keuntungan Mengadopsi Teknologi Heat Pump
- Tantangan dan Pertimbangan Sebelum Memasang Heat Pump
- Kesimpulan: Heat Pump Solusi Cerdas untuk Kebutuhan Energi Anda
Memahami Prinsip Dasar Skema Heat Pump
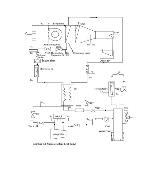
Jadi gini lho, skema heat pump itu pada dasarnya bekerja dengan cara memindahkan energi panas dari satu tempat ke tempat lain. Bayangin aja kayak kulkas, tapi fungsinya dibalik. Kulkas kan ngambil panas dari dalam biar dingin, nah heat pump ini bisa ngambil panas dari udara luar, tanah, atau air, terus dipindahin ke dalam ruangan buat ngasih kehangatan. Atau sebaliknya, kalau lagi panas banget, dia bisa ngambil panas dari dalam ruangan terus dibuang ke luar. Keren kan? Prinsipnya ini sama banget sama siklus refrigerasi yang dipakai di AC atau kulkas, tapi dengan sedikit modifikasi biar bisa dua arah. Intinya, ada empat komponen utama yang bikin sihir ini terjadi: evaporator, kompresor, kondenser, dan katup ekspansi. Masing-masing punya peran penting banget dalam siklus perpindahan panas ini. Nggak cuma soal dingin atau panas aja, tapi juga efisiensi energinya yang luar biasa. Karena dia cuma memindahkan panas, bukan menghasilkan panas dari nol (kayak pemanas listrik), jadi konsumsi energinya jauh lebih hemat. Ini yang bikin heat pump jadi solusi ramah lingkungan dan dompet banget di zaman sekarang. Jadi, kalau kalian lagi mikirin cara buat hemat listrik sambil tetap nyaman di rumah, heat pump ini patut banget dipertimbangkan. Nggak cuma itu, guys, pemahaman tentang prinsip dasar ini juga penting banget buat kalian yang mau pasang atau bahkan servis heat pump sendiri. Biar nggak salah kaprah dan malah bikin kerusakan. Ingat, ini teknologi canggih, jadi perlu diperlakukan dengan bijak.
Komponen Vital dalam Skema Heat Pump
Biar makin jelas, yuk kita bedah satu-satu komponen yang bikin skema heat pump ini berjalan mulus. Pertama, ada evaporator . Komponen ini tugasnya nyerap panas dari sumber luar, entah itu udara, tanah, atau air. Di dalamnya ada cairan refrigeran yang punya titik didih rendah. Saat cairan ini ngalir lewat evaporator, dia nyerap panas dari lingkungan sekitar dan berubah jadi gas. Kayak pas kita ngerebus air, tapi ini terjadi di suhu yang jauh lebih dingin. Makin banyak panas yang diserap, makin efisien kerjanya. Nah, setelah jadi gas, dia lanjut ke komponen kedua, yaitu kompresor . Ini nih ‘jantung’ dari sistem heat pump. Tugasnya itu ‘nekan’ gas refrigeran tadi biar suhunya naik drastis. Bayangin aja kayak pompa sepeda, makin dipompa, makin panas kan udaranya? Kompresor ini butuh listrik buat bekerja, tapi energi listrik yang dipakai jauh lebih sedikit dibanding panas yang dihasilkan atau dipindahkan. Ini kunci efisiensi si heat pump. Setelah panas banget dan bertekanan tinggi, gas refrigeran ini lanjut ke kondenser . Di sini, gas refrigeran bakal ‘ngasih’ panasnya ke sistem pemanas ruangan atau air panas. Sambil ngasih panas, gasnya ini akan mendingin dan berubah kembali jadi cairan. Proses ini mirip kayak uap air yang ketemu permukaan dingin terus jadi tetesan air. Terakhir, ada katup ekspansi . Komponen ini tugasnya nurunin tekanan dan suhu cairan refrigeran sebelum masuk lagi ke evaporator. Jadi siklusnya berputar terus, nyerap panas, dikompres, kasih panas, lalu kembali lagi. Setiap komponen ini saling terhubung dan bekerja sama secara harmonis untuk memastikan heat pump bisa memberikan kenyamanan, baik saat cuaca panas maupun dingin. Pemahaman mendalam tentang fungsi masing-masing komponen ini penting banget lho, guys, buat memastikan performa optimal dan umur panjang si heat pump kesayangan kalian. Nggak cuma itu, kalau ada masalah, kita jadi tahu kira-kira di bagian mana kerusakannya. Makanya, jangan malas-malas baca manual atau cari informasi tambahan ya!
Cara Kerja Perpindahan Panas yang Efisien
Nah, sekarang kita masuk ke bagian paling crucial , yaitu gimana skema heat pump ini bisa memindahkan panas secara efisien. Kuncinya ada pada penggunaan refrigeran dan siklus kompresi-penguapan. Ingat tadi kita bahas evaporator? Di sana, refrigeran cair yang punya titik didih super rendah bakal nyerap panas dari lingkungan luar, meskipun lingkungannya itu dingin. Misalnya, di udara yang suhunya 5 derajat Celsius sekalipun, refrigeran ini tetap bisa ‘ngambil’ panasnya. Ini kayak sulap kan? Setelah nyerap panas dan berubah jadi gas, gas ini kemudian dipompa oleh kompresor. Kompresor ini kayak turbo buat refrigeran, dia ningkatin tekanan dan suhu gasnya sampai level yang kita butuhin buat pemanasan. Makin tinggi tekanannya, makin tinggi suhunya. Nah, di sinilah keajaiban terjadi. Gas refrigeran yang super panas ini kemudian disalurkan ke kondenser, yang biasanya ada di dalam unit indoor. Di kondenser, panas dari gas refrigeran ini ‘ditransfer’ ke udara atau air yang bakal kita gunakan untuk pemanas ruangan atau air panas. Saat melepaskan panasnya, gas refrigeran ini mendingin dan kembali berubah jadi cairan bertekanan tinggi. Cairan ini kemudian melewati katup ekspansi, yang fungsinya menurunkan tekanan dan suhunya secara drastis. Proses penurunan tekanan ini bikin refrigeran siap lagi buat menyerap panas di evaporator, dan siklus pun berulang. Jadi, heat pump ini nggak menciptakan panas, tapi memindahkan panas yang sudah ada di lingkungan luar ke dalam ruangan. Ibaratnya, dia itu kayak ‘pemindah barang’ panas, bukan ‘pabrik’ panas. Makanya, dia jauh lebih hemat energi dibandingkan pemanas listrik konvensional yang harus mengubah energi listrik jadi panas secara langsung. Efisiensi ini juga dipengaruhi sama perbedaan suhu antara sumber panas (luar) dan tempat tujuan panas (dalam). Semakin kecil perbedaannya, semakin efisien kerjanya. Makanya, heat pump ini paling optimal dipakai di daerah yang nggak terlalu ekstrem dingin atau panasnya. Tapi tenang aja, guys, teknologi sekarang udah canggih banget, ada heat pump yang didesain khusus buat daerah dingin sekalipun. Intinya, dengan memahami siklus perpindahan panas ini, kita bisa lebih menghargai kecanggihan teknologi di balik alat ini dan bagaimana ia berkontribusi pada gaya hidup yang lebih berkelanjutan dan hemat biaya. Pokoknya, mind-blowing abis deh!
Jenis-Jenis Heat Pump Berdasarkan Sumber Panasnya
Nah, setelah kita paham prinsip dasar dan cara kerjanya, sekarang saatnya kita kenalan sama berbagai jenis skema heat pump yang ada di pasaran. Pemilihan jenis heat pump ini biasanya tergantung sama kondisi geografis lokasi kalian dan kebutuhan spesifik. Tapi intinya, mereka semua bekerja dengan prinsip memindahkan panas, cuma sumber ‘panas’nya aja yang beda-beda. Yuk, kita kupas satu per satu biar kalian punya gambaran yang lebih jelas.
Heat Pump Udara-ke-Udara (Air-to-Air Heat Pump)
Ini nih jenis yang paling umum dan paling sering kita temui, guys. Skema heat pump udara-ke-udara ini kerjanya mengambil panas dari udara luar, terus memindahkannya ke udara di dalam ruangan, atau sebaliknya. Jadi, unit luarnya itu kayak unit outdoor AC biasa yang kalian lihat di dinding rumah, sementara unit indoor-nya bisa berupa kipas atau duct system yang menyebarkan udara hangat atau dingin ke seluruh ruangan. Kelebihannya, pemasangannya relatif mudah dan biayanya paling terjangkau dibanding jenis lain. Cocok banget buat rumah tangga yang nggak punya akses ke sumber panas lain kayak tanah atau air. Tapi, performanya agak menurun kalau suhu udara luar ekstrem, entah itu terlalu dingin atau terlalu panas. Jadi, kalau kalian tinggal di daerah yang suhunya nggak terlalu ‘menyiksa’, heat pump jenis ini udah lebih dari cukup. Sistem ini bekerja dengan sangat baik dalam rentang suhu moderat. Saat musim dingin, unit luar akan mengekstrak panas dari udara luar yang dingin dan memindahkannya ke dalam. Sebaliknya, saat musim panas, ia akan bekerja seperti AC biasa, membuang panas dari dalam ke luar. Ini memberikan solusi pemanasan dan pendinginan yang efisien dalam satu unit. Fleksibilitasnya dalam penempatan unit indoor juga menjadi nilai tambah, memungkinkan penyesuaian dengan berbagai tata letak rumah. Namun, penting untuk diingat bahwa efisiensi maksimum biasanya dicapai ketika perbedaan suhu antara di dalam dan di luar rumah tidak terlalu besar. Artinya, pada hari-hari yang sangat dingin atau sangat panas, kinerjanya mungkin sedikit berkurang dibandingkan dengan jenis heat pump lain yang memanfaatkan sumber panas yang lebih stabil. Meski begitu, kemajuan teknologi terus membuat heat pump udara-ke-udara semakin andal dalam berbagai kondisi. Jadi, jangan khawatir berlebihan, guys, teknologi terus berkembang!
Heat Pump Udara-ke-Air (Air-to-Water Heat Pump)
Nah, kalau yang ini sedikit berbeda. Skema heat pump udara-ke-air ini mengambil panas dari udara luar, tapi bukan buat dipindahin ke udara di dalam ruangan, melainkan buat memanaskan air. Air panas inilah yang kemudian digunakan untuk sistem pemanas lantai (underfloor heating), radiator, atau bahkan buat keperluan air panas rumah tangga (shower, keran). Jadi, unit indoor-nya ini nggak meniupkan udara, tapi menghubungkan ke sistem perpipaan air. Keunggulannya, sistem pemanas air dari heat pump ini sangat efisien dan bisa menyediakan air panas yang stabil. Cocok banget buat rumah yang udah punya sistem pemanas berbasis air atau buat yang pengen punya pasokan air panas melimpah tanpa tagihan listrik yang membengkak. Sistem ini menggunakan prinsip yang sama dengan udara-ke-udara, yaitu mengekstraksi panas dari udara luar. Namun, panas yang diekstrak kemudian digunakan untuk memanaskan air dalam tangki atau sirkuit pemanas. Ini membuatnya ideal untuk aplikasi yang membutuhkan air panas dalam jumlah besar, seperti pemanas ruangan terpusat atau pemanas air domestik. Penggunaan udara sebagai sumber panas membuatnya relatif mudah dipasang dibandingkan dengan sistem geotermal. Namun, seperti halnya heat pump udara-ke-udara, efisiensinya dapat dipengaruhi oleh suhu udara luar. Meskipun demikian, banyak model modern dirancang untuk beroperasi secara efektif bahkan pada suhu yang lebih rendah, seringkali dengan bantuan elemen pemanas cadangan untuk memastikan pasokan panas yang konsisten. Penggabungan dengan sistem pemanas lantai merupakan pilihan yang sangat populer karena pemanas lantai beroperasi pada suhu yang lebih rendah dibandingkan radiator tradisional, sehingga meningkatkan efisiensi heat pump secara keseluruhan. Ini adalah solusi yang elegan dan hemat energi untuk kenyamanan rumah tangga.
Heat Pump Geotermal (Ground Source Heat Pump)
Ini dia, guys, ‘raja’-nya heat pump kalau ngomongin soal efisiensi dan kestabilan. Skema heat pump geotermal, atau sering disebut juga ground source heat pump (GSHP), memanfaatkan suhu tanah yang relatif konstan sepanjang tahun, baik itu di musim dingin maupun musim panas. Jadi, panasnya diambil dari dalam tanah menggunakan jaringan pipa yang ditanam di halaman rumah (bisa horizontal atau vertikal). Suhu tanah di kedalaman tertentu itu stabil banget, nggak kayak suhu udara yang naik turun drastis. Makanya, heat pump jenis ini punya efisiensi yang paling tinggi dan biaya operasional yang paling rendah dalam jangka panjang. Pemasangannya memang lebih rumit dan butuh investasi awal yang lebih besar karena harus menggali atau mengebor tanah. Tapi, kalau kalian punya lahan yang cukup dan pengen solusi pemanasan dan pendinginan yang paling top-notch dan ramah lingkungan, ini juaranya. Sistem ini menawarkan keunggulan luar biasa karena memanfaatkan sumber panas yang sangat stabil. Suhu tanah pada kedalaman tertentu cenderung tetap sama sepanjang tahun, berkisar antara 10-16 derajat Celsius, yang jauh lebih stabil dibandingkan suhu udara luar. Stabilitas ini memungkinkan heat pump geotermal beroperasi dengan efisiensi yang sangat tinggi, terlepas dari kondisi cuaca ekstrim. Proses instalasinya melibatkan penanaman pipa-pipa loop di dalam tanah, baik secara horizontal (membutuhkan lahan yang lebih luas) maupun vertikal (membutuhkan pengeboran yang lebih dalam). Meskipun biaya awal instalasinya lebih tinggi, penghematan energi jangka panjang dan biaya operasional yang rendah seringkali membuat investasi ini sangat menguntungkan. Selain untuk pemanasan, sistem ini juga dapat digunakan untuk pendinginan ruangan dengan cara memindahkan panas dari dalam rumah ke dalam tanah. Ini adalah solusi yang sangat berkelanjutan dan minim dampak lingkungan, serta dapat meningkatkan nilai properti secara signifikan. Pilihan ini adalah investasi terbaik untuk masa depan yang hijau dan nyaman.
Heat Pump Sumber Air (Water Source Heat Pump)
Terakhir nih, ada skema heat pump sumber air. Sesuai namanya, jenis ini mengambil panas dari sumber air, seperti danau, sungai, atau bahkan sumur. Prinsipnya mirip kayak geotermal, karena suhu air di sumber yang dalam juga cenderung lebih stabil dibanding udara. Heat pump ini biasanya dipakai di bangunan komersial besar atau kompleks apartemen yang punya akses ke sumber air yang memadai. Kelebihannya juga efisien dan bisa jadi solusi hemat energi yang bagus. Tapi, tentu saja, nggak semua orang punya akses ke sumber air yang cocok buat dipasangin heat pump ini. Jadi, ini lebih spesifik penggunaannya. Mengambil energi dari air menawarkan potensi efisiensi yang tinggi karena air memiliki kapasitas panas yang baik dan suhunya cenderung lebih stabil daripada udara, terutama pada sumber air yang lebih dalam atau badan air yang besar. Instalasi biasanya melibatkan penempatan penukar panas di dalam badan air atau penggunaan loop pipa yang disirkulasikan ke dalam air. Sistem ini sangat efektif untuk bangunan yang membutuhkan kapasitas pemanasan dan pendinginan yang besar, seperti hotel, perkantoran, atau fasilitas industri. Keuntungan lain termasuk jejak lahan yang minimal dibandingkan dengan sistem geotermal horizontal, dan potensi untuk pemulihan panas dari air limbah atau sumber air industri. Namun, ketersediaan sumber air yang cocok dan perizinan yang diperlukan bisa menjadi faktor pembatas. Selain itu, perlu pertimbangan mengenai kualitas air dan potensi pembentukan kerak atau korosi pada peralatan. Dengan perencanaan yang matang, heat pump sumber air bisa menjadi solusi yang sangat efisien dan ramah lingkungan untuk kebutuhan energi bangunan skala besar. Pilihan ini menunjukkan bagaimana kita bisa memanfaatkan sumber daya alam yang ada secara cerdas.
Keuntungan dan Kerugian Menggunakan Heat Pump
Setiap teknologi pasti punya plus minusnya dong, guys. Begitu juga dengan skema heat pump . Penting banget buat kita tahu keuntungan dan kerugiannya biar bisa bikin keputusan yang tepat. Jangan sampai udah pasang, eh ternyata nggak sesuai ekspektasi. Yuk, kita bedah bareng-bareng.
Keuntungan Mengadopsi Teknologi Heat Pump
Udah pada penasaran kan sama enaknya pakai heat pump? Oke, mari kita highlight beberapa keuntungan utamanya. Pertama dan yang paling utama adalah efisiensi energi yang luar biasa . Ingat tadi kita bahas kalau heat pump itu cuma memindahkan panas, bukan menghasilkan? Nah, ini yang bikin dia bisa menghemat tagihan listrik kalian secara signifikan. Dibanding pemanas listrik konvensional atau bahkan AC biasa, heat pump bisa memberikan output panas atau dingin yang jauh lebih besar dari input listriknya. Seringkali rasionya bisa mencapai 300-400%, artinya untuk setiap 1 unit listrik yang dipakai, dia bisa menghasilkan 3-4 unit energi panas. Hemat banget, kan? Keuntungan kedua adalah ramah lingkungan . Karena konsumsi listriknya lebih rendah dan bisa dikombinasikan dengan sumber energi terbarukan seperti panel surya, heat pump jadi pilihan yang lebih hijau. Mengurangi jejak karbon kalian sama aja kayak ikut berkontribusi menyelamatkan bumi, guys. Bonus poin deh buat kalian yang peduli lingkungan! Ketiga, fleksibilitas fungsi . Kebanyakan heat pump modern itu bisa dua arah, alias bisa buat manasin dan mendinginin. Jadi, dalam satu unit, kalian bisa dapat AC dan pemanas sekaligus. Nggak perlu beli dua alat terpisah, hemat ruang dan biaya. Keempat, keamanan dan kenyamanan . Dibanding pemanas berbasis pembakaran (kayak gas atau minyak), heat pump jauh lebih aman karena nggak ada api atau emisi gas berbahaya. Plus, suhunya lebih stabil dan nyaman karena nggak ada fluktuasi drastis. Terakhir, nilai investasi jangka panjang . Meskipun biaya awal mungkin sedikit lebih tinggi, tapi penghematan biaya operasional, umur pakai yang panjang, dan potensi peningkatan nilai properti bikin heat pump jadi investasi yang cerdas. Jadi, kalau dihitung-hitung dalam jangka panjang, justru lebih hemat lho. Pokoknya, banyak banget keuntungannya, guys, bikin hidup makin nyaman dan dompet makin tebal!
Tantangan dan Pertimbangan Sebelum Memasang Heat Pump
Nah, biar adil, kita juga harus lihat sisi lain dari skema heat pump . Ada beberapa tantangan yang perlu kalian pertimbangkan sebelum memutuskan pasang. Pertama, biaya instalasi awal yang relatif tinggi . Terutama untuk jenis geotermal atau sumber air, biaya penggalian atau instalasi pipa bisa jadi lumayan menguras kantong di awal. Dibanding beli AC split biasa, jelas lebih mahal. Tapi ingat ya, ini investasi jangka panjang. Kedua, ketergantungan pada sumber energi eksternal . Heat pump butuh listrik buat kompresornya bekerja. Jadi, kalau listrik di daerah kalian sering mati atau harganya mahal banget, ini bisa jadi masalah. Tapi, ini juga berlaku buat kebanyakan alat elektronik rumah tangga sih. Ketiga, performa bisa menurun di suhu ekstrem . Khususnya untuk heat pump udara-ke-udara, efisiensinya bisa berkurang kalau suhu luar terlalu dingin atau terlalu panas. Mungkin butuh sistem pendukung pemanas atau pendingin tambahan dalam kondisi tertentu. Tapi teknologi sekarang udah banyak ngatasin ini kok. Keempat, pemeliharaan dan servis . Meskipun nggak serumit sistem pembakaran, heat pump tetap butuh perawatan rutin biar awet dan performanya maksimal. Cari teknisi yang paham betul soal heat pump ini juga penting. Terakhir, kebisingan unit luar . Kayak AC, unit luar heat pump juga menghasilkan suara, meskipun banyak model yang udah didesain senyap. Kalau rumah kalian dekat tetangga atau kalian sensitif sama suara, ini perlu jadi pertimbangan. Jadi, intinya, nggak ada yang sempurna. Kalian harus timbang-timbang keuntungan dan tantangannya sesuai kondisi dan kebutuhan kalian. Jangan lupa riset yang mendalam ya, guys!
Kesimpulan: Heat Pump Solusi Cerdas untuk Kebutuhan Energi Anda
Gimana guys, udah mulai tercerahkan tentang skema heat pump ? Dari penjelasan di atas, jelas banget kalau teknologi ini punya potensi besar buat jadi solusi kebutuhan energi di rumah atau bangunan kalian. Efisiensi energinya yang juara, dampak lingkungannya yang minimal, dan kemampuannya menyediakan pemanasan sekaligus pendinginan dalam satu unit bikin heat pump jadi pilihan yang cerdas di era modern ini. Memang sih, ada beberapa tantangan kayak biaya awal dan performa di suhu ekstrem, tapi dengan pemilihan jenis yang tepat dan pemeliharaan yang baik, semua itu bisa diatasi. Apalagi dengan semakin canggihnya teknologi, heat pump terus berevolusi jadi lebih baik, lebih efisien, dan lebih terjangkau. Jadi, kalau kalian lagi mikirin cara buat hemat energi, mengurangi jejak karbon, dan meningkatkan kenyamanan hunian, jangan ragu lagi buat eksplorasi lebih jauh tentang heat pump. Ini bukan cuma soal alat pendingin atau pemanas biasa, tapi sebuah investasi masa depan yang berkelanjutan. Semoga artikel ini bisa jadi panduan awal yang bermanfaat buat kalian ya, guys! Selamat mempertimbangkan solusi energi cerdas!